发送邮件 日语  中文 | 英语


ES-500-A2-19J 带V型皮带轮离合器组合(接到订单后生产)
分享:


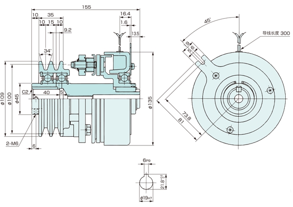
型号

ES-500-A2-19J

使用离合器

SF-500/BMP

V形皮带槽

A形2根

皮带轮外径 φ

100

静摩擦扭矩 Nm

70

额定电压 DC-V

24

功率 W(at75℃)

23

重量 kg

6.3


单位:mm


电源箱

DMP-63/24A

控制器

TMP-40D

EMP-70DB

CSM-55DB

CMPH-250/4HB


返回列表

 



地址:中国上海市长宁区仙霞路317号远东国际广场B栋2513-14室    邮编:200051    

TEL:021-6235-0808     FAX:021-6235-0163     Email:ika@yanagawa-tec.com

CopyRight © 2002-2025 All rights reserved ©www.yanagawa-tec.com 沪ICP备06029996号  沪公网安备31010502004579号

电磁离合器|磁粉离合器|齿形离合器|神钢离合器                                   后台管理|邮箱登录|才望子|