型号 | PBS-825/IMP |
静摩擦扭矩 Nm | 180 |
额定电压 DC-V | 24 |
功率 W(at75℃) | 30 |
重量 kg | 7.3 |

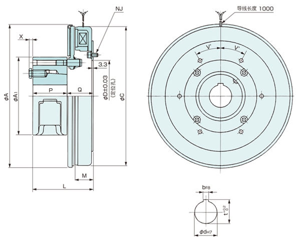
单位:mm
径向 | 轴向 | 安装 | ||||
A | 218 | L | 92.6 | NJ | 数 | 6 |
A1 | 117.5 | M | 37 | 节圆直径 | 107.9 | |
C | 212 | P | 40.5 | 螺栓 | M8×16 | |
D | 88.95 | Q | 52.1 | V | 30 | |
X | 6 | 轴孔 | ||||
无接点控制器 | d | 28 | ||||
b | 7 | |||||
t | 31 | |||||
电源箱 | ||||||
| 返回列表 |
地址:中国上海市长宁区仙霞路317号远东国际广场B栋2513-14室 邮编:200051
TEL:021-6235-0808 FAX:021-6235-0163 Email:ika@yanagawa-tec.com
CopyRight © 2002-2025 All rights reserved ©www.yanagawa-tec.com 沪ICP备06029996号 沪公网安备31010502004579号