型号 | EPR-650A | |
离合器 | 制动器 | |
静摩擦扭矩 Nm | 130 | 70 |
额定电压 DC-V | 24 | |
功率 W(at75℃) | 26 | 21 |
重量 kg | 42 | |
(注)1.备有聚氯乙烯防尘罩可供选择。

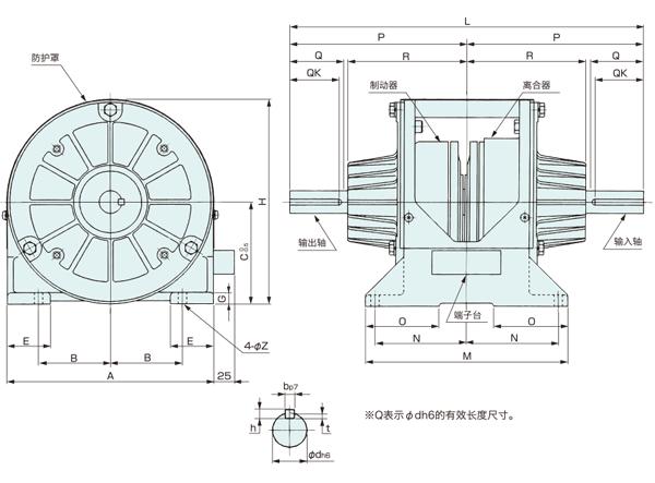
单位:mm
径向 | 轴向 | 轴端 | |||
A | 230 | L | 448 | Q | 57 |
B | 100 | M | 266 | QK | 47 |
C | 120 | N | 120 | d | 28 |
D | 230 | O | 88 | b | 7 |
E | 53 | P | 224 | h | 7 |
G | 14 | R | 162 | t | 4 |
| H | 235 | Z | 12 | 控制器 | |
地址:中国上海市长宁区仙霞路317号远东国际广场B栋2513-14室 邮编:200051
TEL:021-6235-0808 FAX:021-6235-0163 Email:ika@yanagawa-tec.com
CopyRight © 2002-2025 All rights reserved ©www.yanagawa-tec.com 沪ICP备06029996号 沪公网安备31010502004579号