型号 | SFC-400/BMS-AG | 电源箱 | |
静摩擦扭矩 Nm | 28 | 控制器 | |
额定电压 DC-V | 24 | ||
功率 W(at75℃) | 8 | ||
重量 kg | 2.3 |

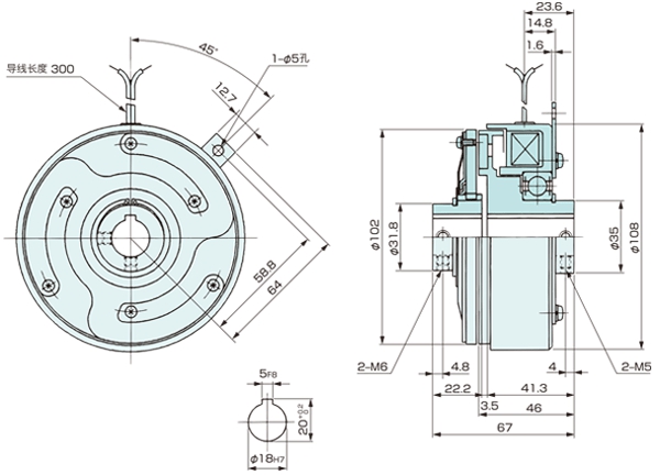
单位:mm
地址:中国上海市长宁区仙霞路317号远东国际广场B栋2513-14室 邮编:200051
TEL:021-6235-0808 FAX:021-6235-0163 Email:ika@yanagawa-tec.com
CopyRight © 2002-2025 All rights reserved ©www.yanagawa-tec.com 沪ICP备06029996号 沪公网安备31010502004579号